将 CFD 元件添加到模型映射
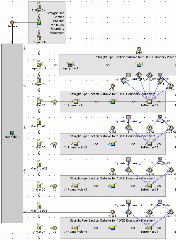
在模型映射中,连接所有 CFD 连接至 CFDComponent 对象。CFDComponent 定义几种全局设置,例如与 Simcenter STAR-CCM+ 耦合和组分映射之前运行的预先循环数量。
要添加 CFDComponent 到模型映射:
- 在项目树中,右键单击 节点,然后选择 Add Object...(添加对象...)
-
在模板:CFDComponent 对话框中:
-
将 节点拖放到模型映射,并将所有六个 CFDConnection 与其连接。如果创建链接时出现对话框,则单击确定。
在调整 Manifold 元件的尺寸后,映射如下图所示。
