本案例利用STAR CCM+计算T型管中流量分配问题。
注:案例参数来自Fluent Verification文档。
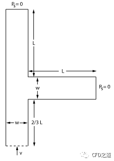
计算模型为如下图所示的T型管道,几何尺寸L=3.0m, W=1.0m。

管内流动介质为空气Air,其密度为1 kg/m3,动力粘度0.003333 kg/m-s。空气从下方入口流入,其轴线速度满足雷诺数:

T型管的两个出口静压Ps均为0。
1 自定义函数
T型管道入口为充分发展流动,其入口速度采用自定义函数进行指定,该位置速度满足方程(坐标原点为左下角):

其中um= 0.5m/s。
2 几何及网格
本案例计算目的是验证两个出口的流量比。由于两管道直径与出口面积相同,因此可以采用二维平面模型来计算。
注:若T型管出口面积不同,则不可使用二维模型来计算出口流量。
在ICEM CFD中创建几何及网格,如下图所示。

导出Fluent格式2D网格EX10.msh。
3 STAR CCM+设置
-
启动STAR CCM+,利用菜单File → Import → Import Volume Mesh...打开文件对话框,读入网格文件Ex10.msh

网格文件读入后检查一下边界条件名称是否完整。

3.1 选择物理模型
-
右键选择模型树节点Models,点击弹出菜单项Select Models...打开物理模型选择对话框

-
对话框中选择物理模型(Steady、Segregated Flow、Gas、Constant Density、Laminar),如下图所示

3.2 修改介质属性
-
如下图所示双击节点Air打开材料属性设置对话框

-
设置密度为1 kg/m3,动力粘度为0.003333 Pa-s

3.3 创建自定义函数
-
右键选择节点Tools → Field Functions,点击弹出菜单项New → Scalar创建变量yval

-
如下图所示,属性窗口中设置Dimension为Length/Time,设置Definition为1-pow($${Centroid}[0]-0.5,2)/0.5

3.4 设置边界条件
注:本案例只需要设置入口边界。出口默认采用压力出口,静压设置为0。
-
鼠标双击模型树节点Region → FLUID → Boundaries → INLET,可打开设置对话框

-
如下图所示设置入口速度Method为Field Function,设置Scalar Function为yVel

其他边界条件采用默认设置。
3.5 开始计算
-
选择菜单Solution → Run开始计算

收敛残差如图所示。

3.6 计算结果
-
速度分布

-
压力分布

-
流量统计

流量比为:

文献测量值为0.887,相对误差-2.72%。可以尝试增加网格密度,或使用高阶求解算法降低计算误差。
参考文献:R.E. Hayes, K. Nandkumar, H. Nasr-El-Din, “Steady Laminar Flow in a 90 Degree Planar Branch”. Computers and Fluids, Vol 17, pp. 537-553, 1989.
本篇文章来源于微信公众号: CFD之道








评论前必须登录!
注册