本验证案例计算发动机缸内流体流动。
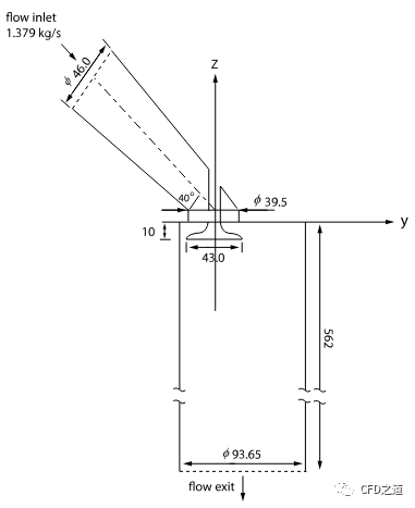
本案例较为简单,计算几何如下图所示。计算模拟理想的发动机气缸内流动情况,计算域包含一个直进口及一个升程10 mm的阀门。采用3D几何模型、稳态等温及不可压缩模拟,利用标准k-epsilon湍流模型及标准壁面函数进行计算。

-
以3D、Double Precision启动Fluent
-
利用菜单File → Read → Case...加载文件valve10-1.cas.gz
-
鼠标双击模型树节点General,右侧面板保持默认设置

-
右键选择模型树节点Models > Viscous,选择菜单项Model → Standard k-epsilon激活湍流模型

-
创建材料fluid,设置其density = 894 kg/m3,Viscosity = 0.00152875 kg/m-s

-
鼠标双击模型树节点Cell Zone Conditions > fluid-11,弹出对话框中设置Materials Name为fluid

-
鼠标双击模型树节点Boundary Conditions > velocity-inlet-1
-
设置Velocity Magnitude为0.928156 m/s
-
设置湍流强度为10%,湍流尺度为0.28 m

出口边界采用默认设置。
-
鼠标双击模型树节点Monitor > Residual,弹出对话框中设置连续方程收敛残差为1e-5,如下图所示

-
右键选择模型树节点Initialization,点击菜单项Initialize进行初始化

-
双击模型树节点Run Calculation,右侧面板设置Number of Iterations为1000
-
点击按钮Calculate开始计算

-
x=0面上速度分布

网格有点儿粗糙,导致云图出现不连续的情况。
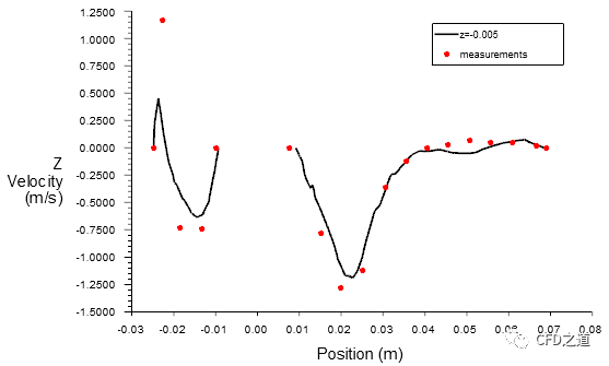
选择z= -0.005m及z=0.01m两条直径的Z方向速度进行验证。
-
点击工具栏按Create → Line/Rake...,弹出创建线设置面板

-
按下图所示设置Z=-0.005m的线,命名为Z=-0.005

-
按下图所示设置Z=0.01m的线,命名为Z=0.01

-
利用XYPlot输出z=-0.005m线上Z Velocity,并加载实验数据,调整图形显示

-
计算值与实验值比较,如下图所示

-
相同方式比较z=0.01m位置z方向速度,如下图所示

从图中可以看出,计算结果与实验值基本吻合。不过鉴于计算网格及其粗糙,能得到此计算结果还是比较意外。
参考文献:
A. Chen, K.C. Lee, M. Yianneskis, G. Ganti, “Velocity Characteristics of Steady Flow Through a Straight Generic Inlet Port”. International Journal for Numerical Methods in Fluids, Vol 21, pp. 571-590, 1995.
文件下载:

https://pan.baidu.com/s/14e0ncUraqf_rGJqEcX6h4Q
密码: jvcq
本篇文章来源于微信公众号: CFD之道








评论前必须登录!
注册