本验证案例计算气缸内流体流动。
1 问题描述
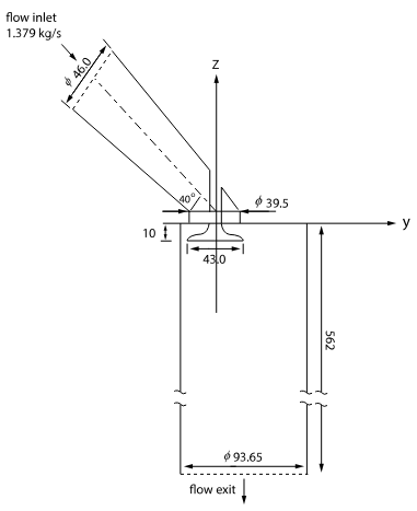
本案例较为简单,计算几何如下图所示。计算模拟理想的发动机气缸内流动情况,计算域包含一个直进口及一个升程10 mm的阀门。采用3D几何模型、稳态等温及不可压缩模拟,利用湍流模型进行计算。 材料介质密度为 894 kg/m3,粘度 0.00152875 kg/m-s,入口速度 0.928156 m/s。

2 STAR CCM+设置
2.1 启动STAR CCM+
-
启动STAR CCM+,并新建工程

-
利用菜单 File → Import → Import Volume Mesh… 导入网格文件 VM15.msh ,计算网格如图所示

案例使用的网格极为粗糙。
2.2 物理模型
-
右键选择模型树节点 Physics 1 ,点击弹出菜单项 Select Models… 打开设置对话框

在打开的对话框中选择以下模型:
-
选择 Three Dimensional -
选择 Liquid -
选择 Coupled Flow -
选择 Constant Density -
选择 Steady -
选择 Turbulent -
选择 K-Omega Turbulence
其他选项采用默认选择,最终如下图所示。

注:这个案例用k-epsilon完全算不下去。
”
2.3 指定材料参数
-
双击模型树节点 Physics 1 → Models → Liquid → H2O ,弹出材料参数设置对话框

-
如下图所示指定材料介质的密度与粘度

2.4 指定边界条件
-
双击模型树节点 Regions → Boundaries → velocity-inlet-1 ,打开边界条件设置对话框

-
如下图所示设置入口边界条件

其他边界保持默认设置。
2.5 求解计算
-
选中模型树节点 Stopping Criteria → Maximum Steps ,如下图所示指定参数 Maximum Steps 为 2000

-
点击菜单 Solution → Run 开始计算

注:案例提供的网格转数量和质量都较差,STAR CCM+很难实现残差收敛。
”
3 计算结果验证
计算完毕后可以查看x=0面上速度分布,如下图所示。

网格有点儿粗糙,导致云图出现不连续的情况。
选择z= -0.005m及z=0.01m两条直径的Z方向速度进行验证。
-
右键选择模型树节点 Derived Parts ,点击弹出菜单项 New → Probe → Line Probe 打开线创建面板

-
按下图所示参数设置Z=-0.005m的线,命名为Z=-0.005

-
按下图所示设置Z=0.01m的线,命名为Z=0.01

注:本案例中网格过于粗糙,在创建线时,线上的分辨率参数Resolution在后期显示时进行调整。此参数过大或过小都会导致显示的曲线失真。
”
-
右键选择模型树节点 Tables ,点击弹出菜单项 New Table → File Table 打开数据文件导入对话框

-
如下图所示导入验证数据

-
利用XYPlot输出 z=-0.005m线上的Z Velocity沿Y轴分布,并加载实验数据,调整图形显示,计算值与实验值比较,如下图所示

-
相同方式比较z=0.01m位置z方向速度沿Y轴分布,如下图所示

总体上来说,STAR CCM+表现还不错,在网格数量和质量都非常低的情况下计算结果与测试值基本吻合。特别要提醒的是,本案例使用k-epsilon模型计算结果偏差非常大,而且湍流残差很难收敛。
注:STAR CCM+系列关注度极低,我想后面干脆把步骤细节放到星球得了,懒得在公众号发布了。本案例下载地址:https://t.zsxq.com/Ggh1A 。
”
(完)

本篇文章来源于微信公众号: CFD之道








评论前必须登录!
注册