参考资料:ANSYS Fluid Dynamics Verification Manual
算例说明
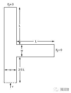
本案例模拟了90°三通内层流流动。

计算域:L=3.0m,W=1.0m
物质属性:物质密度为1 kg/m3,粘度为0.003333kg/m-s
边界条件:入口为充分发展的速度剖面,雷诺数为300,出口压力为0
网格划分
采用矩形网格,网格数量为2025

计算设置
本次计算为稳态不可压缩流动。
-
物质属性
计算物质设置密度等参数

-
湍流模型
选择为层流

-
边界条件
(1)入口设置为速度边界条件

入口速度值由profile文件读入,profile文件下载地址:
链接: https://pan.baidu.com/s/1iRSkPx0pkDHdmziSzFHAEw 密码: 9nnr
(2)出口设置为

-
求解控制
(1)求解方法

(2)松弛因子

计算结果
-
计算域云图展示
速度云图

-
计算值与实验值对比
分叉出口流量百分比对比

参考文献
R.E. Hayes, K. Nandkumar, H. Nasr-El-Din, “Steady Laminar Flow in a 90 Degree Planar Branch”. Computers and Fluids, Vol 17, pp. 537-553, 1989.
本篇文章来源于微信公众号: 南流坊








评论前必须登录!
注册