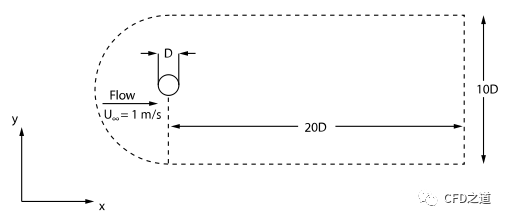
本案例利用Fluent计算层流圆柱绕流,并计算结果进行验证。

计算参数如下表所示。

雷诺数为100,流动为层流流动。为获取绕流过程中圆柱壁面的升力系数,本案例采用瞬态计算。利用FFT确定其震荡频率及Strouhal数。
Strouhal数定义为:

其中N为频率,D为圆柱直径,U为来流速度。
-
以2D、Double Precision模式开启Fluent
-
读取case文件
计算网格如图所示。

-
双击模型树节点General,右侧面板激活选项Transient采用瞬态计算

本案例采用层流计算,Models中保持默认设置。
-
双击模型树节点Materials > Fluid > air,弹出对话框中设置Density为1 kg/m3,设置Viscousity为0.02 kg/m-s

模型中包含两个入口:velocity-inlet-3及velocity-inlet-7,如下图所示。

-
鼠标双击模型树节点Boundary Conditions > velocity-inlet-3,弹出对话框中设置Velocity Magnitude为1 m/s

-
鼠标双击模型树节点Boundary Conditions > velocity-inlet-7,弹出对话框中设置Velocity Magnitude为1 m/s**

-
边界outflow-2保持默认设置
-
双击模型树节点Reference Values,右侧面板设置Compute from为velocity-inlet-7

-
鼠标双击模型树节点Methods,右侧面板如下图所示进行设置

监控圆柱面上的升力系数。
-
右键选择模型树节点Report Definitions,选择弹出菜单项New → Force Report → Lift,弹出升力系数定义对话框

-
弹出的对话框中如下图所示进行设置

-
双击模型树节点Reports Files > report-def-0-rfile,弹出设置对话框

-
如下图所示,设置输出文件名为lift.xy

-
鼠标双击模型树节点Initialization,右侧面板点击按钮Initialize进行初始化

-
鼠标双击右侧面板Run Calculation,右侧面板设置Time Step Size为0.01 s,设置Number of Time Steps为20000
-
点击按钮Calculate进行初始化

下图为计算时间183.9 s时刻涡量分布,可看到涡脱落现象

注:由于忘记设置保存,因此这里只能看到计算结束时刻的情况。呃,计算也没有结束,挂机算了一个晚上才算了这么多。
下面进行FFT分析得到涡脱落频率及Strouhal数。
-
鼠标双击模型树节点Results > Plots > FFT弹出设置对话框
-
店家那你Load Input File…加载升力监控数据lift.xy,店家按钮Plot FFT显示图形

-
图形如下图所示,貌似什么都看不到,主要是因为X坐标分布太宽,可通过点击上图按钮Axes…设置的X坐标范围

-
如下图所示,取消选项Auto Range的选择,设置Maximum为0.5,点击Apply按钮

-
重新显示图形如下图所示,可以看出频率约0.8左右

-
可以设置X轴为Strouhal Number,如下图所示

此时图形如下图所示。

可看出Strouhal数约为0.2,要获取精确的St数,可通过勾选选项Write FFT to File输出计算结果,找出Power Spectral Density最大值对应的St数,如下图所示,其值为0.178。

与参考文献中的结果进行比较。

可以看出计算误差还是比较大的,若要想进一步提高计算精度,可尝试加密计算网格及减小时间步长。
https://pan.baidu.com/s/1uGE63R7jYm89dX6MMLWcww
密码: 8a6d
更多圆柱绕流相关资料,可参阅下方推荐的书籍。

本篇文章来源于微信公众号: CFD之道








评论前必须登录!
注册