参考资料:ANSYS Fluid Dynamics Verification Manual
算例说明
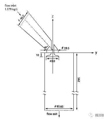
本案例介绍了一个理想发动机气缸内的空气流动,气门升程为10毫米。

计算域:如图所示,单位为mm
物质属性:密度为894kg/m3,粘度0.001529kg/m-s
边界条件:流入速度为0.9282m/s,湍流强度10%,湍流长度尺度0.046m,出口压力0Pa
网格划分
采用四面体网格,网格数量为176461

计算设置
本次计算为稳态绝热不可压缩流动。
-
物质属性
计算物质设置为空气,设置它的密度和粘性

-
湍流模型
选择标准 k-e湍流模型

-
边界条件
设置入口流速

设置压力出口

其他壁面均为绝热壁面
-
设置求解方式和松弛因子


计算结果
-
计算域速度场云图

-
计算值与实验值对比
z=-5mm处z方向速度对比图表

z=10mm处z方向速度对比图表

参考文献
A. Chen, K.C. Lee, M. Yianneskis, G. Ganti, “Velocity Characteristics of Steady Flow Through a Straight Generic Inlet Port”. International Journal for Numerical Methods in Fluids, Vol 21, pp. 571-590, 1995.


本篇文章来源于微信公众号: 南流坊








评论前必须登录!
注册